![]() |
![]() |
![]() |
TLZJ系列超细立磨机百瑞彩票是我公司结合多年的各种磨机生产经验,以超细立磨机为基础,广泛吸取国内外超细粉磨理论,设计开发的先进粉磨设备。是一种一次完成超细粉粉磨、分级、输送于一体的超细制粉行业专业设备,可广泛应用于、化工、冶金、非金属矿等行业。可将莫氏硬度5级以下、密度在3.2以下、抗压强度在150Mpa以下、非易燃易爆矿、无腐蚀性的脆性物料颗粒状及粉状原料磨成所要求的(325~2500目)超细微粉。通常适用如下物料:碳酸钙、方解石、硫酸钡、滑石、硅灰石、叶腊石、白云石、石墨、高岭土、石灰石等。

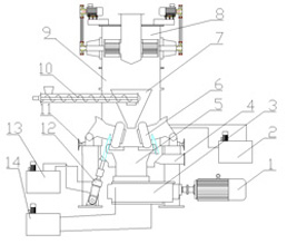
1 主电动机 2 磨辊稀油站 3 减速机 4 机座(进风口)
5 磨盘装置 6 磨辊 7 锥斗 8 多头选粉机
9 机体 10螺旋给料机 11限位装置 12加压装置(液压缸)
百瑞彩票 13液压站 14减速机稀油站
TLZJ系列超细立磨机主要由电动机、减速机、磨辊装置、磨盘装置、加压装置、选粉机、机体、油站、主机PLC电控系统等部分组成。主电机通过减速机带动磨盘转动,同时风从进风口进入立磨机体内,物料经螺旋给料机下料口落在磨盘中央,在离心力的作用下,物料从磨盘中央向边缘均匀移动,经过磨盘上的粉磨辊道区域时,受到磨辊的碾压,大块物料直接被压碎,细粒物料受挤压后形成料床进行粒间粉碎。
被粉碎的物料继续向磨盘边缘移动,直到被风环处的强气流带走,而较大的颗粒物料又重新掉落到磨盘上继续粉碎,气流中的物料经过上部的分离器时,在转子叶片的作用下,粗颗粒重新回到磨盘上粉磨,合格的细粉随气流一起出磨,被系统的集粉器收集,被收集到的粉料即为立磨机磨出的产品。混入物料的铁块等杂物随物料运动到磨盘边缘时,由于自身重量大而不能被风吹起,跌落至磨机下腔被安装在磨盘底部的刮料板刮入排渣口排出机外。通过调节多头选粉机转子的转速,可以获得不同细度的合格产品。通过调节液压系统的压力可以调节辊磨压力,一定范围内可以适应不同硬度的原料。

料层粉磨原理,产品的白度和净度高
超细立磨机采用立磨料层粉磨原理,物料在磨内停留时间短,减少重复碾磨。产品中含铁量极少,用于粉磨白色或透明物料时,产品的白度和净度高。特殊设计的辊套和衬板的研磨曲线,更容易形成粉磨料层。
磨辊单独润滑,双泵供油
磨辊润滑采用单独的润滑站,且单个磨辊回路采用双泵,泵吸同时工作的模式,既使磨辊轴承得到充分的润滑和冷却,又能保证磨辊轴承室内不会过多存油,而导致的泄露。

德国阿尔派选粉技术,可一次性达到所需细度
超细立磨机采用德国阿尔派多头选粉机原理,每个转子都可以变频调速,出磨成品细度在选定范围内均可实现,可不用经过二次风选分级,无下品料的存在。成品粒度小于2μm颗粒含量高,高可可达70%,及325目低残留,也适合从中二次分选出更细粒径的成品。
自动化控制,变频调速,节能高效
采用PLC/DCS自动控制的磨辊加压控制方式,研磨压力得到精准控制,且不需要人工操作。主机PLC电控系统的对主机范围内的电器元件进行有序协调指挥工作,主机转速采用变频调速,与其它任何形式的磨机相比节约能耗30%~50%,经济效益极佳。
同力重机制造的2台套TLZJ1100超细立磨机在新疆***新型建材有限公司-人造岗石项目中顺利投产。
生产情况
【日运转】: 24小时
【进 料】: 方解石,粒径5-10mm
百瑞彩票【成 品】: 细度:325-1250目
百瑞彩票【产 量】: 8-15吨/时
【客户反馈】:
我们公司在同力购买的超细立磨机,不仅质量有保证,产量也特别稳定,高效环保,大大提高了公司的产能,第一年投入使用就为公司创造了200万的净利润。
TLZJ-1100H | TLZJ-1200H | TLZJ-1400H | |
315粉 | 11~13 | 12~14 | 14~16 |
2500粉 | 6~7 | 7~8 | 8~9 |
主机功率 | 220KW | 250KW | 280KW |
分级轮数量 | 5 | 7 | 7 |
能耗(主机、风机、分级机) | 28 | 29 | 30 |